NEMEF dag- en nachtslot klavier 66/2T, DM60/PC72 , DIN L
Het NEMEF 66/2T dag- en nachtslot met klavierbediening en doornmaat 60 mm is de variant voor houten deuren met een bredere stijl. De grotere doornmaat van 60 mm biedt extra afstand tussen de slotvoorzijde en het hart van de cilinder. Deze DIN links uitvoering is bestemd voor linksdraaiende deuren en wordt inclusief twee sleutels geleverd.
Toepassing
Dit slot is specifiek bedoeld voor houten deuren waarbij een doornmaat van 60 mm vereist is, bijvoorbeeld bij bredere deurstijlen. De klavierbediening maakt comfortabele dagschootbediening mogelijk. De nachtschoot wordt bediend met de meegeleverde sleutels. Veelgebruikt in woningbouw en utiliteitsprojecten met dikkere deurbladen.
Voordelen
- Doornmaat 60 mm voor bredere deurstijlen
- Klavierbediening voor gebruiksvriendelijke dagschootbediening
- Inclusief 2 sleutels voor directe ingebruikname
- NEMEF kwaliteit voor jarenlang betrouwbaar gebruik
- Eenvoudige montage in houten deurbladen
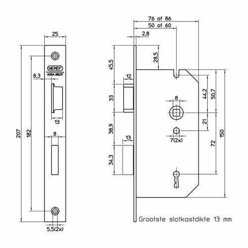
Specificaties
- Merk: NEMEF
- Type: Dag- en nachtslot klavier 66/2T
- Doornmaat (DM): 60 mm
- PC-maat: 72 mm
- Voorplaat: 207×25 mm
- DIN-richting: Links
- Inclusief: 2 sleutels
- Materiaal kozijn: Hout













